| Re: Eingang absichern Kategorie: CC-Pro Unit & Appl.Board (von Torsten - 21.07.2013 6:51) | ||
| Als Antwort auf Re: Eingang absichern von Achim - 18.07.2013 20:21 | ||
| ||
|
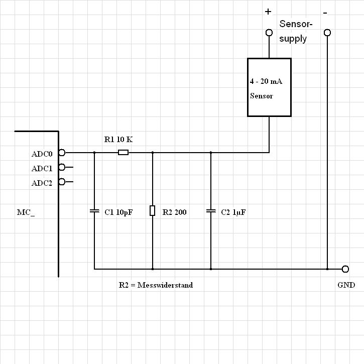
> > > hallo zusammen, > > > > > > ich habe mich mit dem MCP3424 I2C AD-wandler angefreundet. > > > ich hatte das problem, das ich 0 - 0,2 V auflösen muss und das > > > zwei Stellen nach dem Komma. die 18 bit auflösung ist echt g... > > > eigentlich muss ich mA (0-20) messen, also habe ich einen 10 Ohm shunt quer auf > > > jedem kanal und komme so auf die 0,2 v. alles klar und klappt. > > > > > > wenn jemand mal ein stückchen code braucht, wie man den anspricht.. > > > kann ich gerne geben. > > > > > > ich will da aber aus sicherheitsgründen noch optokoppler vorschalten und weiss > > > zum verrecken nicht, welche ich da nehmen kann. also wie gesagt, ich habe da > > > nur 0-0,2 volt zu messen. > > > > > > vielen dank schon mal > > > > > > achim > > > > > > datenblett vom 3424. gibts auch als 2 und 3 kanalversion > > > http://cdn.shopify.com/s/files/1/0038/9582/files/MCP3424.pdf?1268705291 > > > > Hallo Achim, > > > > da ich selbst viel Messe währe ich an deinen > > Erfahrungen und natürlich auch Code mit dem > > "MCP342?" sehr interessiert. Warum verwendest > > du einen 10-Ohm Wiederstand zu Umsetztung von > > 0-20mA? (4V / 0.02A = 200-Ohm). > > Ein Phototransistor dürfte dir die Umsetzung > > des Me�signal verfälschen. Ich würde mich hier > > auf die Quelle des Signals konzentrieren um > > die Störsicherheit zu erhöhen. > > > > Gru� Torsten > > > hi torsten, > > ich kenne die quellen nicht immer, da analysatoren verschiedenster > hersteller angeschlossen werden. zudem wird mein messsystem auch in fremde kreise eingeschliffen > um diese auch zu messen. deshalb der kleine widerstand. um die bürde in fremden > kreisen nicht einbrechen zu lassen. die eigenen analys. sind meist ok. > > die ref-spannung beim mcp3424 ist 2.048 v. mit 10 ohm komme ich da bei 20 mA auf 0,2 V. 0.02A*10 Ohm. > ist also noch günstiger in der auflösung. die mA müssen noch zwei nachkommastellen haben. > 2 hoch 16 sind 65000 irgendwas /10 wegen nur 0,2 V sind 6500. 20 / 6500 sind 0,003 mA. > also kriege ich das noch mit 16 bit hin. ich hoffe ich liege da richtig. > > ich suche seit heute noch einen umrechnungsfehler von den gelesenen bytes. dann poste ich das mal. > ist aber nicht kompliziert, wenn man das umfangreiche datenblatt durchliest und nicht wie ich > zwei tage ne falsche adresse anbeame. würg. > > ich will die eingänge irgendwie absichern, aber weiss nicht genau wie. im moment ist da nur > der 10 ohm widerstand quer. > > danke erstmal... > > achim Hallo Achim, mit der Schaltung unten habe ich gute Erfahrungen beim Anschlu� von 4-20mA Sensoren an die AD-Eingänge des Mikrokontrolles gemacht. Vieleicht hilft dir auch der Code unter "Module/Lib/SensorBox-0.01/4-20mALib/" für die Umrechnug weiter. Gru� Torsten 4-20mA.jpg: ![]() | ||
Antwort schreiben Antworten: | ||
Zur Übersicht - INFO - Neueste 50 Beiträge - Neuer Beitrag - Suchen - Zum C-Control-I-Forum - Zum C-Control-II-Forum


